产品展示
2622120(4/2 电磁阀),topair双联阀,台湾topair,topair气缸,topair油压缸
首页 / 产品中心 / 特殊产品
产品标题:2622120(4/2 电磁阀),topair双联阀,台湾topair,topair气缸,topair油压缸
产品ID:VIB20150625224255734
品  牌:TOPAIR
所在地:中国 上海
价  格:面议 (大量采购价格面议)
库存状态:货期待查
更新日期:2025-10-15 23:49:55
咨询电话:(+86)021-51699285
咨询Q Q: 2695337323
产品简述

产品说明
˙ 本电磁阀可用于经过滤给油动作
˙ 进出气方向:固定
˙ 操作温度范围:-10 ℃ ~ +60 ℃
˙ 本体材质:铝合金
˙ 止漏橡胶材质:NBR

产品详情

产品参数
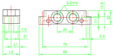
内孔直径 4 与7
线圈及空气引导孔切换动作
轴心以空气压力作动
配管口径 G1/8, 连座孔 G1/4
操作压力:1 ~ 10 bar


* 建议使用之润滑油 : Shell Hydrol DO 32, Shell Febis K32 (1992 七月) 或同等级于DVI 值 < 8 (DIN53521)
  与ISO 纤维黏液等级 32-46(DIN51519)
* 测试于6 bar 时以VDI3290 润滑油及DC 线圈
  ‧ 选配:嵌入式手动开关
˙ 配有不延迟性手动开关
˙ 可选择固定方式
˙ 外型小, 高流量, 安装方便
˙ 洩漏量低
˙ 低磨耗
˙ 接线盒依欧规 DIN 43650, 型式B
˙ 低耗电量