产品展示
JDZXW-35型三相电压互感器
首页 / 产品中心 / 电压互感器
产品标题:JDZXW-35型三相电压互感器
产品ID:VIB20091222145226734
品  牌:VABO华波互感器
所在地:中国 上海
价  格:面议 (大量采购价格面议)
库存状态:货期待查
更新日期:2025-10-18 12:37:42
咨询电话:(+86)021-51699285
咨询Q Q: 2695337323
产品简述

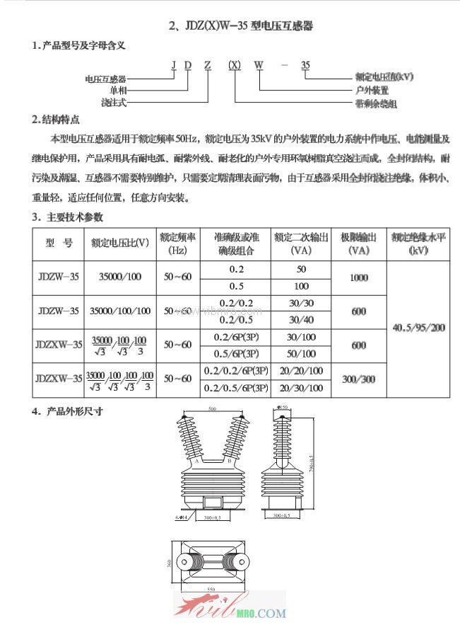
JDZXW-35 型 三相电压互感器

产品详情

JDZXW-35三相电压互感器(户外)

本型互感器为户外环氧树脂浇注全封闭、全工况型电压互感器,具有耐污染及潮湿,气候适应性强等优点。适用于额定频率50Hz或60Hz,额定电压35kV户外装置的电力系统中作电气测量及电气保护用。

技术参数

型号 额定电压比 (kV)

额定频率

准确级组合 额定输出(VA)

热极限输出(VA)

额定绝缘水平(kV)
备注
JDZW-35 35/0.1 50,60 0.2 60 1500 40.5/95/200
0.5 150
JDZW-35 35/0.1/0.1 50,60 0.2/0.2 30/30 800 40.5/95/200
0.2/0.5 30/40
0.5/0.5 40/40
JDZXW-35 35/√3/0.1/√3/0.1/3 50,60 0.2/6P(3P) 40/100 800 40.5/95/200
0.5/6P(3P) 80/100
JDZXW-35

35/√3/0.1/√3/0.1/√3/0.1/3

50,60 0.2/0.2/6P(3P) 20/20/100 400 40.5/95/200
0.2/0.5/6P(3P) 20/30/100
0.5/0.5/6P(3P) 30/30/100