| 产品标题:ZX15-14电阻器 产品ID:VIB20091212154647734 品 牌:立新起重开关 所在地:中国 上海 价 格:面议 (大量采购价格面议) 库存状态:货期待查 更新日期:2025-11-18 20:08:28 咨询电话:(+86)021-51699285 咨询Q Q: 2695337323 |
| 1、适用范围 ZX15系列电阻器为开启式,适用于交流50HZ、电压至660V以下及直流电压至440V以下的电路中,供作起动,调速、制动、放电及其它用途。其容量为4.6KW,是由铁铬铝合金带绕制成螺旋形管状电阻元件装成。可以代替ZX1系列电阻器应用。具有防震、不易断裂等优点。 海拔高度不超过2500米;周围介质温度不超过+40℃及不低于-25℃,在24h内的平均温度不超过+35℃; 当+20℃至-5℃时空气相对湿度不大于85%; 周围介质中无足以腐蚀金属和破坏绝缘及有爆 炸危险的气体及导电尘埃; 必须有防雨雪设备并不会充满水蒸汽的地区; 在无剧烈震动或颠跛的地区。 |
![]() | |||||||||||||||||||||||||||||||||||||||||||||||||||||||||||||||||||||||||||||||||||||||||||||||||||
2、型号含义 |
![]() | |||||||||||||||||||||||||||||||||||||||||||||||||||||||||||||||||||||||||||||||||||||||||||||||||||
3、主要技术参数
| ||||||||||||||||||||||||||||||||||||||||||||||||||||||||||||||||||||||||||||||||||||||||||||||||||||
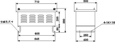
| 4、结构特征 ZX15型系列电阻器采用铁铬铝合金电阻材料,它是一种高电阻电热合金,具有工作温度高,使用寿命长,比电阻大,表面负荷高,电阻温度系数小,比重小等一系列优点。采用铁铬铝合金带材绕制成电阻元件装配ZX15型系列电阻器,以代替ZX1型系列电阻 5、外形及安装尺寸 ZX15(ZX10)型户内电阻器外形及安装尺寸 ![]() ZX15(ZX10)型户外电阻器外形及安装尺 ![]() |
产品型号
前一页 ZX15-10电阻器
后一页ZX15-10电阻器
更多产品
MORE+
![]()
| |||||||||||||||||||||||||||||||||||||||||||||||||||||||||||||||||||||||||||||||||||||||||||||||||||